Prenez de meilleures décisions grâce à des informations fiables et facilement accessibles
« Lorsque la qualité des données est perçue comme médiocre, il devient alors très difficile d'inverser la tendance. »
Ref : Institut IAM / Asset Information, Strategy, Standards and Data Management SSG
« Des informations erronées sur les actifs peuvent engendrer une perte de 1,5 % du chiffre d'affaires annuel »
Ref : Selon une Étude NIST / SAP-Centric EAM
« Nous constatons des dépenses plus élevées (jusqu'à + 5%) chez les entreprises qui ne gèrent pas correctement les informations liées à leurs actifs »
Ref : IAM Institute Asset Information
Quel que soit le secteur d'activité, la fabrication, la maintenance et l'exploitation d'actifs complexes requièrent des informations précises. Les informations sont pourtant bien souvent stockées sous différents formats, dans des référentiels non-connectés avec des équipes souvent disséminées aux quatre coins du monde. Cela engendre des silos de données et un important manque de transparence, d'efficacité et de confiance, ce qui entrave :
- la recherche d’informations pertinentes et complètes
- le référencement des informations
- la conformité réglementaire et la sécurité opérationnelle
AVEVA Asset Information Management transforme les données issues de sources et de systèmes d'information divers en informations fiables et exploitables. Le logiciel identifie et croise les correspondances entre les équipements, les documents, les plans et autres formats de données.
Ce logiciel accélère l'extraction d'information et relie les équipes à une base de données commune via une seule application utilisée sur le cloud, sur site ou en hybride. Les prises de décision à partir des données sont facilitées et les calendriers des projets, les performances opérationnelles et la sécurité sont optimisées, tout en réduisant le risque.
AVEVA Asset Information Management
La bonne information, au bon moment
3 minutes
maximum pour trouver des informations pertinentes sur vos actifs
2 mois
pour un déploiement d'une solution Cloud dans l'ensemble de l'entreprise
10 %
d'augmentation de la productivité des équipes
30 %
minimum de réduction des temps d'arrêt non planifiés
Valeurs commerciales
Un système centralisé pour la gestion de projets
Ayez une vue d'ensemble du projet pour permettre à vos équipes :
- de gérer des volumes importants d'informations et réduire jusqu'à 60 % du temps consacré à la recherche et à la validation des informations.
- d'évaluer la qualité des informations et d'éviter jusqu'à 10 % des erreurs de construction dues à des incohérences
- de contrôler le calendrier et le budget
Transfert progressif
Transformez le transfert classique en un flux progressif de données validées tout au long de vos projets pour :
- améliorer le partage d'informations et ainsi éviter les retards et les coûts de transfert (jusqu'à 4,2 % des CAPEX)
- respecter les exigences d'informations lors de l’exploitation, en éliminant les erreurs et les informations incohérentes ou manquantes
- pouvoir se fier aux données du projet lors des opérations, et donc gagner du temps et de l'argent.
Améliorer la performance des actifs
Combinez une visualisation « navigable » des équipements avec des données et des analyses en temps réel afin :
- de conserver un jumeau numérique à jour capable d'évaluer la qualité des données, de gérer les changements et d'appliquer les référentiels d'information
- d'examiner virtuellement l'état des actifs et garder un œil sur le fonctionnement de l'entreprise en temps réel
- d'obtenir des informations pertinentes et complètes en moins de trois minutes, pour éviter les temps d'arrêt non planifiés
Améliorer la sécurité et la conformité réglementaire
Accéder facilement et en temps réel à une représentation numérique fiable de l’état de vos actifs pour retrouver facilement vos documents et vos données critiques. Les entreprises peuvent intervenir plus rapidement en cas d'incident pour garantir la sécurité, assurer la conformité règlementaire et éviter les amendes et les pénalités.
Asset Information Management sur le Cloud
Profitez de tous les avantages d'une solution de gestion de l'information sans les inconvénients (frais d'installation, de déploiement, de gestion de versions ou de maintenance).
AVEVA Asset Information Management peut être déployé en tant que service Cloud privé via AVEVA Connect pour les entreprises souhaitant transmettre rapidement et en toute sécurité des informations critiques à ses salariés et partenaires de confiance.
Le Cloud vous offre une réelle flexibilité commerciale grâce à nos différentes formules d'abonnement. En se chargeant de l'infrastructure informatique, de la sauvegarde, des mises à jour, de la sécurité et de la performance, AVEVA permet aux entreprises de réduire la charge de travail liée à l’informatique.
Fonctionnalités principales
Accès universel au jumeau numérique
AVEVA Asset Information Management est une solution agnostique, capable d'ingérer des données sous différents formats depuis plusieurs systèmes. Elle fournit un index complet de références croisées avec des liens et des correspondances entre tous les éléments du jumeau numérique.
Évaluation de la qualité des données
AVEVA Asset Information Management pourra, à partir de cette base de données, effectuer des rapports sur la qualité, la cohérence et l'exhaustivité des données, pour assurer la conformité et des transferts efficaces.
Extraction automatique d'informations
Notre solution extrait et conserve automatiquement les relations tag/tag, tag/document et document/document pour une navigation efficace dans le jumeau numérique et une recherche d'informations facilitée.
Visualisation haute qualité
Grâce à AVEVA Asset Information Management, vous disposez d’une visualisation en ligne de haute qualité des tags de données, documents, plans, modèles 3D et numérisations laser. La création automatique de hotspots et d'hyperliens permet de fluidifier la navigation et d'identifier plus facilement les tags.
Visualisation de modèles 3D

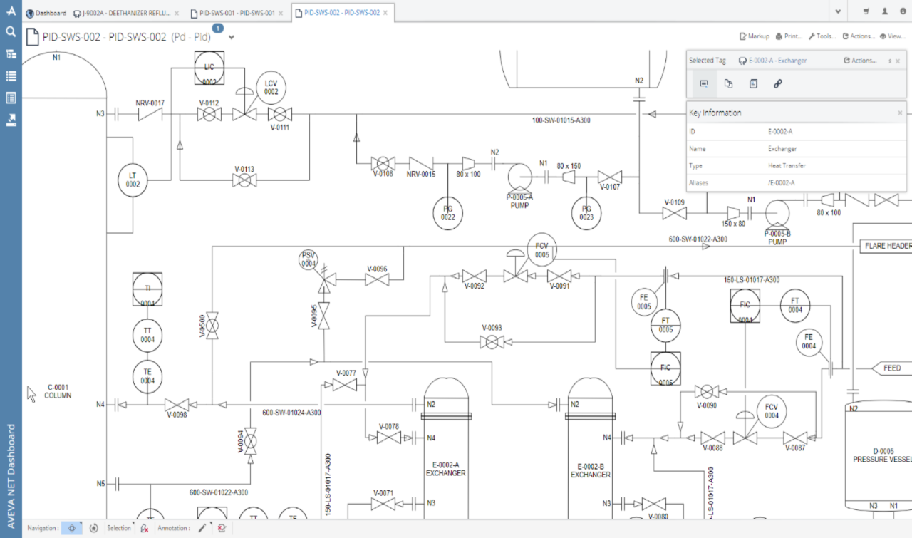
Visualisation 2D - P&ID détaillé
Produits connexes
AVEVA Engage
Entièrement tactile, AVEVA Engage est un outil doté d'une visualisation 3D de pointe et d’une interface connectée intuitive offrant des informations sur vos projets et vos actifs.
AVEVA™ E3D Design
Anciennement AVEVA Everything 3D
La solution de conception 3D multidisciplinaire la plus performante et la plus avancée, pour une efficacité de conception et d’ingénierie maximisée et sans conflit.