信頼性の高い情報への素早いアクセスで意思決定力を高めます
データ品質に対する悪評が一度定着すると、その認識を改めさせるには多大な努力が必要とされます。
参考文献:IAM Institute / Asset Information, Strategy, Standards and Data Management SSG
“資産情報不備によるコストは、年間売上高の1.5%に相当します"
参考資料 NISTの研究 / SAP-Centric EAM
“資産情報管理プロセスが不十分な企業では、総事業コストが最大5%アップします”
参考文献: IAM Institute Asset Information
あらゆる産業において製造、メンテナンス、オペレーションには正確な設備資産情報が必要です。しかし多くの場合、情報はさまざまなフォーマットで保存され、さらに関連性のないリポジトリに格納されて世界各地に分散しています。その結果、情報のサイロ化が進み、組織内の透明性、効率性、信頼性が著しく損なわれ、以下のような障害が発生しています。
- 適切かつ完全な情報の確認
- 未熟な情報の標準化
- 法規制遵守と安全なオペレーションの維持
AVEVA Asset Information Management は、複数の情報源やシステムのデータを信頼できる実用的な考察に変え、設備、文書、図面など様々なデータフォーマットの情報を特定、相互参照して提示します。
クラウド、オンプレミス、またはハイブリッドアプローチに展開する独自のアプリケーションが情報確認スピードを加速し、分散したユーザーグループに共通のデータ資産を提供します。このソリューションは、データに基いた意思決定を促進し、プロジェクトの計画、オペレーションフォーマンス、および安全性の最適化と同時に、リスクを低減します。
AVEVA Asset Information Management
必要な情報に対しどこからでも素早くアクセス
3 分以内に
実用的な設備資産情報を確認可能
10%
従業員の生産性向上
30%
以上の計画外ダウンタイムを削減
Asset Information Management Point Cloud のデモ
ビジネス価値
プロジェクトマネジメントを一元化
プロジェクト全体の把握によりこれらを実現します
- 膨大な情報を管理し、情報の検索と検証時間を最大60%削減
- 情報品質を評価し、不整合に起因する建設ミスを最大10%回避
- プロジェクトのスケジュールとコストを管理
プログレッシブなハンドオーバー
プロジェクト全体において従来のハンドオーバーをより強化し、先進的なフローに変換
- 情報共有を改善し、遅延とCAPEX最大4.2%の引き渡しコストを回避
- 運用に必要な情報要件の徹底、エラーや情報の不整合・欠落の排除
- 運用に必要なプロジェクトデータの信頼性向上、コストと時間の削減
設備資産パフォーマンスを向上
機器を視覚化し、リアルタイムデータと分析を組み合わせて以下を可能にします
- データ品質の評価、変更管理、情報標準で最新のデジタルツインを維持
- 設備資産の健全性を仮想的に検査し、ビジネスオペレーションをリアルタイムで確認
- 関連性のある情報を3分以内に検索し、計画外のダウンタイムを回避
安全性と規制遵守の向上
設備資産の実際の稼働状態の確認は、簡単に信頼できるデジタル表示にアクセスし、文書や重要なデータを簡単に呼び出すことができます。企業は事故発生時に迅速な対応、安全性の確保、規制遵守の証明ができ、さらに罰金や罰則の回避に役立てることができます。
クラウドにおけるAsset information management
インストール、展開、バージョン管理、ハードウェアのメンテナンスなどのオーバーヘッドは不要で、情報管理によるメリットを活用できます。
AVEVA Asset Information Management は、AVEVA Connect を通じてプライベートクラウドサービスとして展開でき、重要な情報を従業員や信頼できるパートナーと迅速かつ安全に共有できます。
クラウドでは、さまざまなサブスクリプション アプローチでビジネスに柔軟性を提供します。また、AVEVA が必要なコンピューティング インフラ、バックアップ、アップデート、セキュリティ、パフォーマンスを提供し、企業の IT 負荷を軽減します。
主な特徴
デジタルツインへのユニバーサルアクセス
AVEVA Asset Information Managementは、複数のシステムから様々なフォーマットのデータを取り込み、他社製品ともオープンに連携するソリューションです。デジタルツイン内のすべてのアイテムへのリンクと関連付け、完全な相互参照インデックスを提供します。
データ品質評価
プロジェクトと設備資産データの集約により、AVEVA Asset Information Management はデータの品質、一貫性、完全性を提供し、コンプライアンスの向上と効率的なハンドオーバーを可能にします。
情報の自動検出
タグからタグ、タグからドキュメント、ドキュメントからドキュメントの関係を自動的に抽出・管理し、デジタルツインの効率的ゲーションと情報検索を支援します。
高画質なビジュアライゼーション
AVEVA Asset Information Management は、タグデータ、ドキュメント、図面、3D モデル、レーザースキャンをWebベースで視覚化します。またホットスポットとハイパーリンクの自動作成により、タグの識別とナビゲーションを容易にする追加インテリジェンスも提供します。

3D Model Visualization

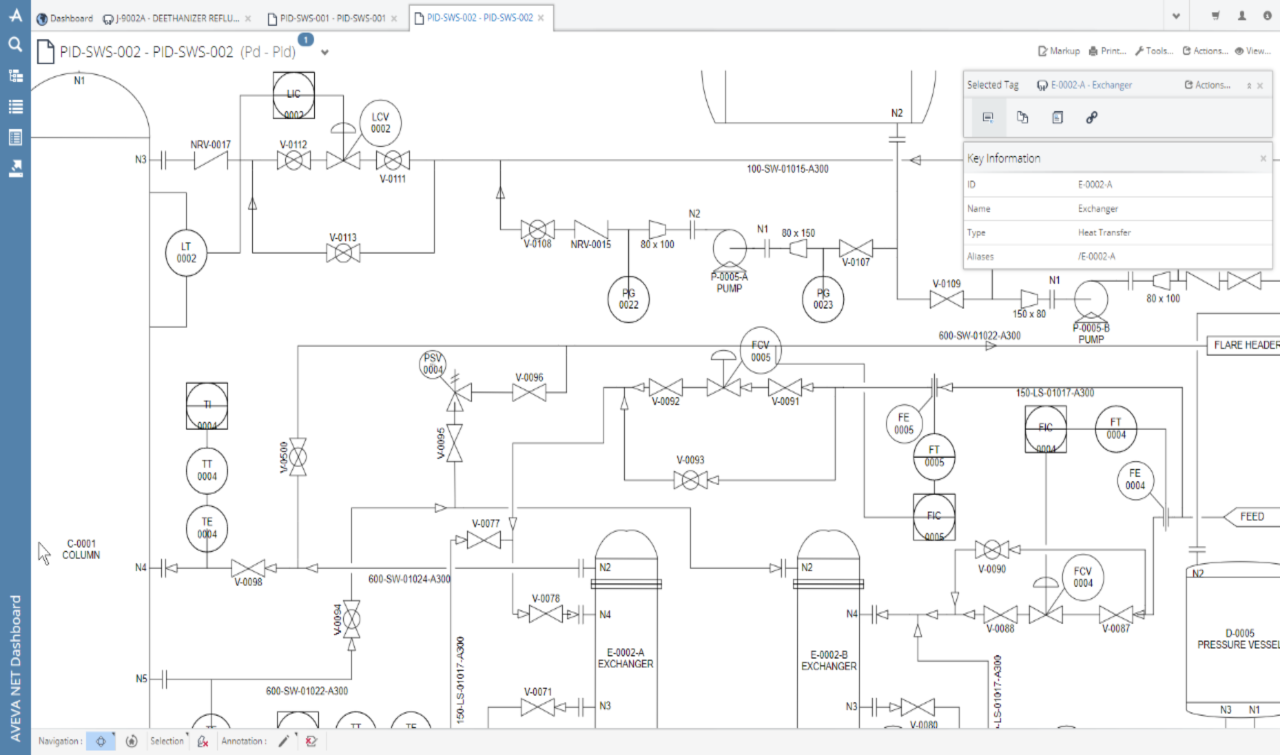
2Dビジュアライゼーション - ホットスポットを利用したP&ID
導入事例

Petroleum Development Oman
Petroleum Development Oman(PDO) は AVEVA Asset information Management の導入後、5%の作業時間短縮を実現しました。これは 10,000 労働日、熟練工 50 名分の時間短縮に相当します。設備資産の可視化を実施し、多くのユーザーが重要なデータへのアクセスし、PDO 効率性の向上と高い投資収益率を手に入れました。

Damodar Valley Corporation
AVEVAのソリューションにより、インドのDamodar Valley Corporationは、デジタル化、ダウンタイムの削減およびプロセスの合理化を実現しました。

Shanghai Laogang Project
Shanghai Laogang Projectは、世界最大の廃棄物発電所の設計、建設、納入において、AVEVA ソフトウェアの活用によりコラボレーションの促進、プロジェクトコストの削減を実現し、さらに200 件以上の建設中の衝突を回避しました。